隐藏铰链 热门转舌锁 热门医疗脚轮 热门自关滑轨 热门防滑型调整脚 快锁螺钉 手柄

带按钮型摇把锁06型

登录查看会员价格,新人更有好礼相送 立即登录

带按钮型摇把锁06型

联系客服询价

  • 品牌:EVAN-义文
  • 型号:
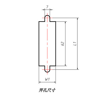
    型号 请左侧筛选型号/下滑参数选型,下载图纸 >>
  • 包装规格:-
  • 交期:-
购买数量:

单价(含税):联系客服询价

总价:联系客服询价

型号筛选 重置 显示示图

0未选 0已选

义文工业五金,一站式工业框体零部件采购平台 | 非标定制 | 五金集成
义文工业五金,一站式工业框体零部件采购平台 | 非标定制 | 五金集成
选型操作指引客服
×
免费样品申领

22大类工业框体零部件

门锁铰链拉手脚轮支撑更多
品类齐全

品类齐全

支持定制

支持定制

×
欢迎来到【义文工业五金商城】
在线选型

在线选型

1V1客服

1V1客服